SOLUCIONES A MEDIDAS ESPECIALES

Contamos con la maquinaria y experiencia para desarrollar todo tipo de soluciones a medida, ofreciendo un servicio avanzado, personalizando el diseño de cada producto, tanto en dimensiones como materiales o acabados, con el fin de adaptarse a cualquier necesidad; en «Pernos San Martín» nos adaptamos a tus necesidades, aportando un asesoramiento continuo en el desarrollo del producto.

Perno U (Abrazadera Tipo U)

Por su capacidad de apriete y sujeción son indispensables para fijar con firmeza y seguridad todo tipo de cañerías.

Diámetros: Para cañerías de 1” hasta  36”

Material:  Acero al Carbono, A36, 10-45, 10-20, Inox 304.

Acabado: Pavonado, zincado, galvanizado.

Normas:  en base a MSS-SP69

Características: Las cargas máximas admisibles han sido determinadas de acuerdo al código ANSI. La rosca es Whitworth según norma. Consultar para otros tipos.

PERNO DE ANCLAJE

Fabricados de acuerdo a las especificaciones del cliente. Los pernos de anclaje tienen dos funcionen, ayudan a estabilizar la estructura de acero durante la construcción y pueden ayudar a transferir cargas horizontales y verticales desde la estructura a la base.

Diámetros: Desde 3/8” hasta 2”

Material:  Acero al Carbono, A36, SAE1045, SAE1020, Inox 304.

Acabado: Pavonado, zincado, galvanizado.

PERNO DE ANCLAJE TIPO “J”

El perno de anclaje para concreto en J es muy similar en su forma y función al perno en L, con la sola diferencia de la forma en J en el extremo que se embebe al concreto. Igualmente, este perno de anclaje en J puede ser o no galvanizado en caliente, dependiendo de las características de la obra y la decisión del ingeniero a cargo

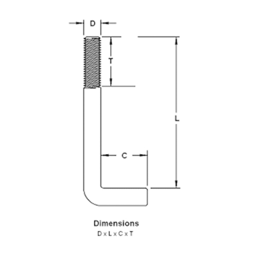
PERNO DE ANCLAJE TIPO “L”

El perno de anclaje para concreto en L sólo lleva rosca en el extremo superior de la L, que es el que queda por fuera del embebido para fijar con tuerca y arandela a la base del concreto, mientras la parte inferior de la L es la que queda insertada en el concreto para hacer el efecto de anclaje.

PERNO DE ANCLAJE TIPO RECTO

El perno de anclaje para concreto recto puede ser rosca total o con rosca sólo en los extremos, aunque los ingenieros prefieren rosca total, debido a que el roscado permite un mayor anclaje al ser embebidos en el concreto. El extremo que queda en el concreto lleva una platina cuadrada o rectangular que se fija al perno con soldadura o con una o dos tuercas para reforzar el efecto anclaje. Este perno de anclaje recto puede ser o no galvanizado en caliente, dependiendo de las características de la obra y la decisión del ingeniero a cargo.

PERNO DE ANCLAJE TIPO OJO

Los pernos ojo (Abierto o Cerrado) son utilizados como una ayuda en la sujeción de todos los servicios de cables eléctricos, redes de aire, alumbrado, y ventilación. Fijación de anclaje o suspensión de postes, pueden ser instalados en ambientes de alta contaminación. Especiales para posicionamiento de camiones de hormigón bombeable.

Scroll al inicio